Home
Import and export
Electronic components
24-Hour Hour Hotline
+86 13417452824
▪ Home
▪ Product
▪ Application
▪ Service
▪ News
▪ About
▪ Contact us
All classification
Circuit
Tms320f280025c microcontroller
Msp430fr2355 microcontroller
Tm4c1294ncpdt microcontroller
Tms320c6678 digital signal processor
interface circuit
Tms320f280025c microcontroller
Msp430fr2355 microcontroller
Tm4c1294ncpdt microcontroller
Tms320c6678 digital signal processor
interface chip
Tms320f280025c microcontroller
Msp430fr2355 microcontroller
Tm4c1294ncpdt microcontroller
Tms320c6678 digital signal processor
Driver
Tms320f280025c microcontroller
Msp430fr2355 microcontroller
Tm4c1294ncpdt microcontroller
Tms320c6678 digital signal processor
Home
Product
Circuit
interface circuit
interface chip
Driver
Clock splitter
Bidirectional transceiver
Quad lvdx driver
Operational amplifier
AD converter
ADC
BGA-676
DAC
DCDC power management
Flash
Flash FPGA
LDO
PWM controller
audio frequency
Application
MCU Application
Industrial control application
Medical device application
Commercial lighting applicatio
Industrial control application
Service
File download
common problem
News
Company news
Industry dynamics
Common dynamics
About
Company profile
corporate culture
Cooperative customers
Contact us
interface circuit
Home
>
Product
>
interface circuit
Contact us
Product
Product Center
menu
Circuit
interface circuit
interface chip
Driver
Clock splitter
Bidirectional transceiver
Quad lvdx driver
Operational amplifier
AD converter
ADC
BGA-676
DAC
DCDC power management
Flash
Flash FPGA
LDO
PWM controller
audio frequency
Contact us
More +
Consultation(Tel)
+86 13417452824
Email:
bella@szbbhkj.com
Address:1408, Tongfang central building, intersection of xiner community Central Road and HouXiang Road, Xinqiao street, Bao'an District, Shenzhen
View large
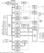
TL16C554A
Quad UART with 16 byte FIFO
Phone:
+86 13417452824
Email Us
Get A Quote
24 services
guarantee
Fast delivery
introduce
parameter
relevant
Product introduction
Product parameters
No parameters, please check other services...
Related products
TIR1000
Independent IrDA encoder and decoder
TL16C554A
Quad UART with 16 byte FIFO
TL16C752D
Dual UART with 64 byte FIFO
Prev:
TIR1000
Return to directory
Next:
TL16C752D
Product
Message
Telephone